

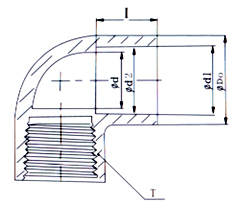
| Nominal | Outside Dia | Socket Type | Structural Diamter | |||
| Size | Do | d1 | d2 | I | d | T |
| 1/2″ | 30.5 | 21.54 | 21.23 | 24.22 | 16 | 1/2″ |
| 3/4″ | 38 | 26.87 | 26.57 | 27.40 | 22 | 3/4″ |
| 1″ | 44 | 33.66 | 33.27 | 30.58 | 28 | 1″ |
| 1-1/4″ | 54 | 42.42 | 42.04 | 34.75 | 35 | 1-1/4″ |
| 1-1/2″ | 60 | 48.56 | 48.11 | 37.93 | 43 | 1-1/2″ |
| 2″ | 73 | 60.63 | 60.17 | 41.10 | 54 | 2″ |
下一篇: 套銅三通S*T*S ANSI SCH80

蘇公網(wǎng)安備 32050502000597號(hào)