
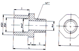
| Outside Dia | Socket Type | Structural Diameter | ||||||||
| Size | Do | d1 | d2 | I | d | T | S | L | B | NPT |
| 1/2″ | 30.5 | 21.54 | 21.23 | 24.22 | 14 | 9 | 18.5 | 50 | 36 | 1/2″ |
| 3/4 | 35 | 26.87 | 26.57 | 27.4 | 19 | 9 | 14.5 | 50 | 41 | 3/4″ |
| 1″ | 44 | 33.66 | 33.27 | 30.58 | 24 | 9 | 21 | 59 | 50 | 1″ |
| 1-1/4″ | 54 | 42.42 | 42.04 | 34.75 | 32 | 9 | 19 | 61 | 60 | 1-1/4″ |
| 1-1/2″ | 60 | 48.56 | 48.11 | 37.93 | 38 | 9 | 27 | 72 | 65 | 1-1/2″ |
| 2″ | 73 | 60.63 | 60.17 | 41.1 | 50 | 10 | 27 | 77 | 80 | 2″ |
| 2-1/2″ | 88 | 73.38 | 72.85 | 47.45 | 61 | 11.5 | 40 | 97 | 95 | 2-1/2″ |
| 3″ | 105 | 89.31 | 88.70 | 50.63 | 73 | 14 | 41.5 | 104 | 115 | 3″ |
| 4″ | 132 | 114.80 | 114.10 | 60.15 | 96 | 14 | 44.5 | 116 | 145 | 4 |
| Outside Dia | Socket Type | Structural Diameter | ||||||||
| Size | Do | d1 | d2 | I | d | T | S | L | B | PT |
| 1/2″ | 30.5 | 21.54 | 21.23 | 24.22 | 14 | 9 | 18.5 | 50 | 36 | 1/2″ |
| 3/4 | 35 | 26.87 | 26.57 | 27.4 | 19 | 9 | 14.5 | 50 | 41 | 3/4″ |
| 1″ | 44 | 33.66 | 33.27 | 30.58 | 24 | 9 | 16.5 | 55 | 50 | 1″ |
| 1-1/4″ | 54 | 42.42 | 42.04 | 34.75 | 32 | 9 | 19 | 61 | 60 | 1-1/4″ |
| 1-1/2″ | 60 | 48.56 | 48.11 | 37.93 | 38 | 9 | 19 | 64 | 65 | 1-1/2″ |
| 2″ | 73 | 60.63 | 60.17 | 41.1 | 50 | 10 | 21 | 71 | 80 | 2″ |
| 2-1/2″ | 88 | 73.38 | 72.85 | 47.45 | 61 | 11.5 | 32 | 89 | 95 | 2-1/2″ |
| 3″ | 105 | 89.31 | 88.70 | 50.63 | 73 | 14 | 32 | 95 | 115 | 3″ |
| 4″ | 132 | 114.80 | 114.10 | 60.15 | 96 | 14 | 38 | 110 | 145 | 4″ |
| Size Nom | 1/2″ (15mm) | 3/4″ (20mm) | 1″ (25mm) | 1-1/4″ (32mm) | 1-1/2″ (40mm) | 2″ (50mm) | |
| ∮d1 | 20.3 | 25.3 | 32.3 | 40.3 | 50.3 | 63.3 | |
| ∮d2 | 19.9 | 24.9 | 31.9 | 39.9 | 49.9 | 62.9 | |
| ∮D | 30 | 33 | 42 | 51 | 61 | 74 | |
| I | 16 | 19 | 22 | 26 | 31 | 38 | |
| L | 19 | 21.5 | 24 | 26 | 27 | 31.5 | |
| T | NPT | 1/2″-14 / | 3/4″-14 / | 1″-1.5 / | 1-1/4″-11.5/ | 1-1/2″-11.5/ | |
| PT | 1″-11 / | 1-1/4″-11/ | 1-1/2″-11/ | 2″-11/ | |||
上一篇: 管帽
下一篇: 異徑直接頭(S*S)

蘇公網(wǎng)安備 32050502000597號(hào)