
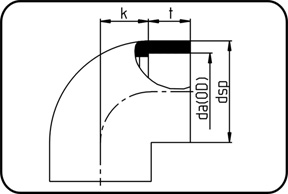
| Dimension | Detail |
da(OD)
mm
|
dsp
mm
|
t
mm
|
k
mm
|
p
bar
|
Weight |
| 20 | 20 - MOP 16 bar | 20 | 29,3 | 16 | 14 | 10 | 0.021 |
| 25 | 25 - MOP 16 bar | 25 | 35,1 | 18 | 17 | 10 | 0.032 |
| 32 | 32 - MOP 16 bar | 32 | 43,2 | 19,5 | 20 | 10 | 0.048 |
| 40 | 40 - MOP 16 bar | 40 | 53,3 | 21,5 | 25 | 10 | 0.082 |
| 50 | 50 - MOP 16 bar | 50 | 65 | 25 | 28 | 10 | 0.139 |
| 63 | 63 - MOP 16 bar | 63 | 81,5 | 30,5 | 35 | 10 | 0.255 |
| 75 | 75 - MOP 16 bar | 75 | 92 | 32 | 39 | 10 | 0.288 |
| 90 | 90 - MOP 16 bar | 90 | 111 | 36,5 | 46 | 10 | 0.482 |
| 110 | 110 - MOP 10 bar | 110 | 133 | 43 | 57 | 10 | 0.801 |

蘇公網(wǎng)安備 32050502000597號(hào)